夏洛的太空网
2009-12-24 14:08:36 这是一个写给孩子,也写给大人的故事——《夏洛的网》:在朱克曼家的谷仓里,快乐地生活着一群动物,其中小猪威尔伯和圆蛛夏洛建立了最真挚的友谊。然而,一个最坏的消息打破了谷仓的平静:威尔伯未来的命运是成为熏肉火腿。作为一只小猪,悲痛绝望的威尔伯似乎只能接受任人宰割的命运了,然而,看似渺小的夏洛却说:“我救你。”于是,夏洛用自己的丝在猪栏上织出了被人类视为奇妙的网上文字,彻底逆转了小猪的命运,终于成尔伯它在集市的大赛中赢得特别奖,有了一个安享天年的未来。圆蛛夏洛,勇敢而又善良,它用蜘蛛丝编织了一张爱的大网,充满了智慧和温情。有这么两只圆蛛,它们以前辈夏洛为榜样,为了帮助人类进行太空探索,勇敢地离开了地球,奔赴国际空间站……

看,圆蛛在地球上织的网多整齐,多漂亮!
以夏洛为榜样
和夏洛的故事不一样,这是一个关于科学实验的故事,也是一个挑战和实现自我的故事:为了研究蜘蛛在太空无重力环境下如何捕食、结网,以及检测蜘蛛在太空轨道中吐出的蛛丝强度是否与地球上不同,科学家决定带上蜘蛛到太空生活。
经过严格筛选,在30只强壮精干的圆蛛中,有两只圆蛛闯过层层关卡,凭借自己高超的结网技术和“青春活力”脱颖而出。2008年11月14日,两只圆蛛搭乘“奋进”号航天飞机来到了国际空间站,它们将代表自己的家族首次在太空无重力状态下生活。
离开地球,到广袤的太空中生活,面对未来,两只圆蛛会像夏洛一样充满勇气和智慧吗?

空间站里的这只小箱子,就是圆蛛勇士们的家
不寻常的太空生活
第一次在太空中生活,第一次亲眼观察奇妙的宇宙,还有宇航员为它们专门准备的美味食物——果蝇可以品尝,生活真是充满惊奇!两只圆蛛兴奋极了,由于没有重力,它们在空间站里四处漂浮(在地球上可没有这样的经历噢),从卧室到客厅把空间站参观了个遍,无论走到哪里都有惊喜等着它们。它们对这里太满意了,于是决定将自己的新家安在这神秘的空间站中。

圆蛛——我很丑,但我很努力!
两只圆蛛自信满满,打算大展身手,然而事实和理想总有点距离。第一次它们失败了:它们织的网乱七八糟,混乱不堪,和它们在地球上编织的,几乎拥有完美对称的蛛网比起来,简直大失水准。第二次,它们还是失败了……两只圆蛛看着自己的作品,垂头丧气,伤心极了:付出了太多的努力,就是织不成一张完整的网,难道是织网技术还不够好?一只圆蛛甚至由于接受不了一次又一次的失败,而躲藏了起来。
当两只圆蛛再聚到一起的时候,它们紧紧地握着对方的“手”,目光坚定:我们是经过严格的挑选才来到太空的,我们是蜘蛛家族里的佼佼者,技术不是问题。我们要像前辈夏洛那样勇敢、坚韧不拔,只要努力,一定可以找到解决问题的办法,在空间站中建设新家园!

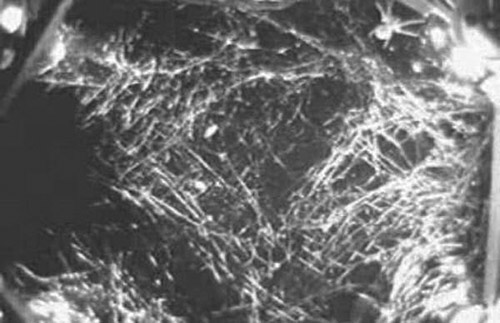
这就是我们在空间站织的第一张网。一开始面对这杂乱无章的“作业”,我们有些气馁,可是,我们是夏洛的后代,我们是勇敢的圆蛛,我们不会放弃!
两只圆蛛冷静地回忆自己在地球织网的经过。在地球上,蜘蛛通常利用身体的摇摆和下落能力进行结网,而太空中,没有重力,要做到这一点可就难了。原因找到了,只要解决这个难题,一切问题迎刃而解!

为人类太空事业的发展牺牲生命的英雄——小狗莱卡
两只圆蛛的表现没有令人失望,它们尽自己最大的努力,战胜了失重状态,让自己适应了新的环境,并找到织网的窍门,编织出了令人叫绝的蜘蛛网,虽然还比不上在地球老家织的网,但看上去也非常对称、漂亮。空间站负责人迈克尔·芬克表扬它们说:“这两个八条腿的小家伙,能够这么快就适应太空生活,让我感到非常吃惊。”
探索太空的先锋

看,太空中的蜘蛛网!不管是天上,还是地下,织网本领我最大!
其实,为了人类的太空探索实验,不只是这两只圆蛛奔赴遥远的太空。在人类进入太空之前,很多动物先去太空打了前站,它们比人类更早进入太空,有的甚至牺牲了生命,却为人类探索太空打下了良好的基础,为人类的航天事业做出了重大贡献。动物真正意义上的太空之旅始于1957年,前苏联一只名字叫莱卡的狗随着卫星升空,成为第一个进入地球轨道的活着的动物。莱卡最初在卫星舱内生活得还不错,遗憾的是,由于卫星无法返回地面,莱卡在卫星内仅生活了6天便失去了生命。这一旅程证明,人可以在发射进入轨道的过程中幸存下来,并能忍受失重状态。此后,随着宇宙飞行器的不断发展,许多科学家继续不遗余力地致力于太空生物的研究,迄今为止,先后进入太空参与宇航科研的实验动物已经包括猴、狗、蜜蜂和家蝇等多种动物。
动物是人类探索太空的先锋,也是人类太空之旅的忠实伙伴。









