全国“少年电子技师”科普活动推荐使用套件辅导-闪光灯
2015-08-25 09:51:27张军
本套件是全国“少年电子技师”科普活动推荐使用的套件10,电路散件如图1所示。
图1
闪光灯电路套件
附表 套件配置
|
三极管 |
9014、9015,各1只 |
|
电解电容 |
10μF,1只 |
|
电阻 |
270kΩ |
|
发光二极管 |
2只 |
|
电池盒 |
1个 |
|
万用印制板 |
1个 |
教学目标
(1)学会分析电路的工作原理;
(2)学会根据原理图进行布线安装。
适用范围
本电路着重训练根据原理图进行布线安装,并能对电路进行分析和对原理进行理解。适用于少年电子技师B段1级技师和A段(高中)2级技师的实习内容。建议完成课时为2课时,教师也可根据实际教学情况调整学时。
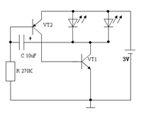
电路原理
电路接通,VT1、VT2截止。发光二极管熄灭,电源经过发光二极管对电容C充电。电容C两端电压差增大。VT1的b极电位降低,VT1、VT2导通,发光二极管点亮。电容C经VT2的c、e结放电。电容C两端的电压差逐渐减小,VT1的b极电位升高,进而截止。两只发光二极管同时闪烁。该套件可用于航标灯、告警灯等。图2所示为电路原理图。
图2 闪光灯电路原理图
本套件采用万用印制板,主要的目的是训练安装面的布局和焊接面的布线。由于是体验式训练,采用简单电路练习,有助于学生成功。从原理图可以看出,电路只有一处交叉点,因此用安装面将电解电容跨接的方法即可解决。焊接面的布线主要解决的是导线互不相碰的问题。图3所示为布线参考。
图3 布线参考
安装面在设计时要注意,元件整体应在整个印制板的中心位置,尽量考虑对称性,图4所示为最后的成品。
图4 安装后的成品
通电实验
接通电源后,如果安装无误,两只发光管同时闪亮。如果没有反应,应立即取出电池,检查有无短路故障,初学布线的人一般都会出现短路现象,另外检查电池盒是否接触良好。













