搜索
取消

热门搜索

专题
首页  >  资讯  >  生命科学

美研制微型碳纤维电极 可倾听大脑神经细胞

来源:腾讯网

  腾讯科学讯(悠悠/编译) 据英国每日邮报报道,它可能看上去像其它螺线一样,但却是一种奇特的纤细柔韧电极,有助于彻底地提高我们大脑的认知能力,建立人类和计算机之间较好的交互界面。

《黑客帝国》中在男主人公头部插入电极便可连接一个计算机网络,现今美国科学家最新研制新型碳纤维电极可以实现

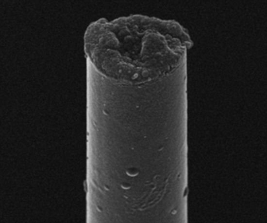
研究小组最新设计的碳纤维电极仅有7微米直径

特别声明:本文转载仅仅是出于科普传播信息的需要,并不意味着代表本网站观点或证实其内容的真实性;如其他媒体、网站或个人从本网站转载使用,须保留本网站注明的“来源”,并自负版权等法律责任;作者如果不希望被转载或其它相关事宜,请与我们接洽。
[责任编辑:cdstm_wangmy]
 收藏:0
分享到:
文章排行榜
? 2011-2017 版权所有:中国数字科技馆
未经书面许可任何人不得复制或镜像
京ICP备11000850号 京公网安备110105007388号
信息网络传播视听节目许可证0111611号
国家科技基础条件平台