这些细胞上覆盖一层硅酸,对活细胞进行“防腐处理”后,它就能忍受更高的温度
美国新墨西哥大学和阿尔伯克基桑迪亚国家实验室的研究人员研发了这种新方法
北京时间2月25日消息,据国外媒体报道,这听起来可能有点像是一部科幻影片的东西,但是科学家表示,他们已经制成“僵尸细胞”,它们死亡后能够继续发挥作用。但是与好莱坞大片里的行尸走肉不同,实际上这些细胞的一些功能会比生前发挥的更好。
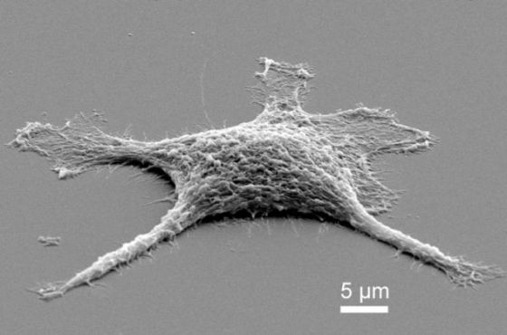
科学家表示,通过用硅酸覆盖有机细胞,它们所能承受的温度和压力将会远比活着时大。这项技术意味着科学家可以通过“把重要生物材料变成化石”,达到保护它们的作用。美国新墨西哥大学和阿尔伯克基桑迪亚国家实验室的研究人员开发了这项新技术。科学家利用硅酸给哺乳动物细胞“防腐”,制成该结构几乎接近完美的复制品。他们认为,可以把僵尸细胞应用于工业生产,例如燃料电池或者传感技术,以及未来的纳米技术。
美国最著名的政治类博客网站The Huffington Post援引这项研究的主要研究人员布莱恩-卡尔的话说:“研究人员很难制造纳米级别的结构。我们能生成粒子和细丝,但是迄今为止我们还未成功制成任意3D结构。”他说:“有了这项新技术,我们就不用建造这些结构,大自然已经给我们准备了现成的。”从古至今,硅石一直因其坚硬的性质而著称,这种物质常见于沙子和石英里。在皮氏培养皿里把酸涂抹到活细胞上,随后硅石溶液就会形成与它几乎一模一样的复制品。
美国公共事务办公室的迈克尔-赫斯说:“为了能在极端高压和高温环境下幸存下来,这些僵尸细胞的一些功能会比生前发挥的更出色。”卡尔称,这一过程意味着这些细胞就连死亡后也能继续“工作”。他说:“埃及法老图坦卡蒙被制成可能很像生前的自己的木乃伊,但是这一过程是在没有矿化作用(化石化过程)的情况下进行的。我们通过化学和生物学方法制成的僵尸细胞不仅与生前的它们很像,而且还能继续发挥作用。”( 新浪科技 孝文)
新闻来源:http://news.xinhuanet.com/tech/2013-02/25/c_124382202.htm











留言